桃園市中壢區透天法拍

台北法拍屋,台北市法拍屋,台北法院法拍屋

桃園市中壢區透天法拍|台北新北法拍521近中壢車站健行科大頂增透天附車位

台北新北法拍|521 近中壢車站|健行科大|頂增透天附車位
列印
  • 售987萬1000元
    售888萬5000元
    1. 案號:桃園113七17964
    2. 類型:法拍透天_附頂樓加蓋
    3. 總登記坪數:
    4. 每坪單價:
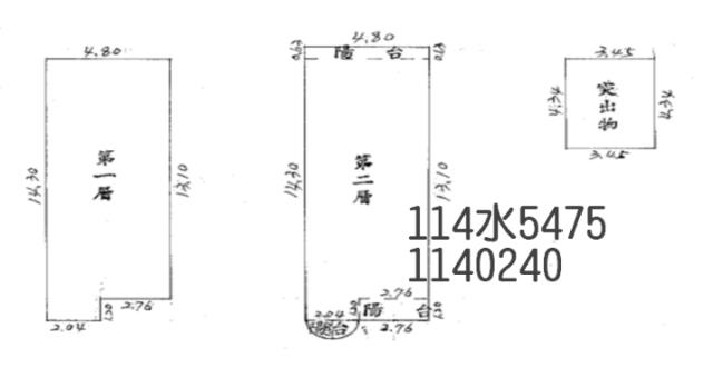
    5. 地址:桃園市中壢區星文二街32號2層樓( 附同棟暨三四層頂加增建坪43.02坪 . 土地32.67坪 )
    1. (煩請告知聯絡人,您是在House-Info房屋網看到廣告,感恩幫忙)
    2. 0986-666-000
    1. 市話:
    2. 公司名稱:
    3. 公司地址:
    台北新北法拍|521 近中壢車站|健行科大|頂增透天附車位-QR CODE 我要留言
物件介紹
詳細資料
銷售狀態
待標中
格局
2層樓透天厝( 附同棟暨三四層頂加增建坪43.02坪 . 土地32.67坪 )
屋齡
39年
車位
庭院車位
無障礙環境
沒有
所在樓層
1+2+3+4層樓/共2層樓
管委會
沒有
中庭
沒有
電梯
沒有
邊間
不是
是否凶宅
不是
法拍屋
拍次
8
開標日期
115/05/21(四) 14:30
瀏覽人次
192人次
坪數說明
建物登記總坪數
46.46
主建物
39.52
附屬建物
6.94
增建
43.02
土地登記總坪數
32.67
特色描述
104法拍網代標 // 透明房訊  // 法拍讀書會 // 透明實價網 // 投資課程 ㊣㊣㊣業界最大法拍屋專業機構㊣㊣㊣
法拍個案拍賣資訊均與  司法院 // 台灣金融資產服務股份有限公司 // 法務部行政執行署 拍賣資訊同步刊登,隨時更新!!!
★法拍屋不提供賞屋服務→可透過地政機關建物平面圖、位置圖等資料分析判斷之★

本件拍賣資訊節錄:
點交情形→經債務人開門入屋以肉眼檢視,一樓及車庫空間皆堆置生活雜務,無明顯漏水壁癌痕跡。經詢問債務人彭O琴,標的房屋為彭月琴及其孫子自住,未出租。無地震颱風火災受損、無輻射、海砂屋或非自然死亡情形。房屋內無漏水壁癌,但頂樓增建之鐵皮屋頂大雨時有時會滴水。經地政測量,一樓前後增建遮雨棚,二樓無增建,三樓除原有屋凸部分皆為增建,四樓整層增建遮雨棚。債務人現實佔有中,拍定後點交。

謄本資料→[謄本]:總坪數46.46坪[主建坪39.52坪,附屬坪6.94坪],另增建坪43.02坪(建號:12881)[加強磚造/住家用] ;土地 :32.67 坪

是【大學法律學系的法學士】→1996年畢業
也是【通過國家考試及格執業21年的代書】→2004年迄今
更是【任職律師事務所職司法律相關事務30年的法務經理】→1995年迄今
能精準為您分析判讀法拍個案的觸角,維繫您的個案權益。
專業指名 : 張世興 代書              
服務專線:02-2263-1206
行動電話:0986-666-000

公司名稱:一零四法拍網股份有限公司 / 統一編號 28306523
經紀人名字&字號 : 林桂英 / 北市經證第001243號
營業員名字&證照號碼:張世興 / (107)登字第331706號

個案物件均依各拍賣機關拍賣公告底價投開標.如當拍未拍定時,除經債權人聲明指定底價外.原則依前拍底價酌減20%估算次拍底價 (強制執行法第91條、92條參照)
【第一拍:2349.5萬114年09月11日流標】
【第二拍:1879.6萬114年10月16日流標】
【第三拍:1503.8萬114年11月20日流標】
【第四拍:1353.5萬114年12月18日流標】
【第五拍:1218.3萬115年01月15日流標】
【第六拍:1096.6萬115年03月05日流標】
【第七拍:987.1萬115年04月16日流標】
【第八拍:888.5萬115年05月21日待標】

張世興 代書→其他法拍屋搜尋網站:
H0USEINFO →  http://www.沿金標法拍.tw
樂屋網 →  https://vip.rakuya.com.tw/0986666000/sell
桃園中壢透天法拍-0
桃園中壢透天法拍-0
桃園中壢透天法拍-1
桃園中壢透天法拍-1
桃園中壢透天法拍-2
桃園中壢透天法拍-2
桃園中壢透天法拍-3
桃園中壢透天法拍-3
桃園中壢透天法拍-4
桃園中壢透天法拍-4
桃園中壢透天法拍-5
桃園中壢透天法拍-5
桃園中壢透天法拍-6
桃園中壢透天法拍-6
桃園中壢透天法拍-7
桃園中壢透天法拍-7
桃園中壢透天法拍-8
桃園中壢透天法拍-8
桃園中壢透天法拍-9
桃園中壢透天法拍-9
物件留言
請注意,如果您詢問的內容與物件不相符合或是廣告,經過審核,系統將會直接刪除您的發問內容
等待圖示
相似物件
免責聲明:House-Info房屋網平台系統為租用式開放房屋買賣網站建置平台,僅提供會員查詢-桃園市,中壢區,透天-等房屋資訊參考,並不涉入任何諮詢、交易。 物件(服務)聯絡人公佈的資訊、文字、照片、圖形、產權、廣告內容、或其他資料若有不實或違法情事,或與客戶聯絡交易過程中若衍生民事或刑事等法律問題,皆與House-Info房屋網站無關,所有商標、文章、名稱等版權,皆歸屬原著作者所有!